SNC Series High Pressure Capacity Hydraulic Nut Split Broker Splitter

5out of5 based on7 reviews | Write a review

SNC Series Hydraulic Nut Splitters

Hydraulic Breaker Tool Capacity Range: 5-90 ton

Bolt Range: M6-M48

Maximum Operating Pressure: 700 bar

Compact and ergonomic design,easy to use.

Unique angled head design.

Single-acting, spring return cylinder.

Heavy duty chisels can be reground.

Nut Splitters include NPT3/8 quick coupling and dust cap.

Aplication include

We offer a wide range of hydraulic tools that can perfectly replace and correspond with all Enerpac products.We will save customer costs, increase productivity and profit margins, Welcome to Get Latest Price now!

SNC Series Hydraulic Nut Splitters

Hydraulic Breaker Tool Capacity Range: 5-90 ton

Bolt Range: M6-M48

Maximum Operating Pressure: 700 bar

Compact and ergonomic design,easy to use.

Unique angled head design.

Single-acting, spring return cylinder.

Heavy duty chisels can be reground.

Nut Splitters include NPT3/8 quick coupling and dust cap.

Aplication include service trucks,piping industry,tank cleaning,petrochemical,steel construction,mining,etc.

SNC nut cutter,optional pump, pressure gauge, pressure gauge stand and tubing actualization requirements.

Example (To cut M36 nut ):

Selected nut cutter:SNC - 5060,

Selected hand pump:SPS7-1, light manual pump

Selected hose:SZAX-6-NPT3/8, length 6m, connection NPT3/8" rubber hose

Selected pressure gauge:YN-100-100MPa, pressure range: 0-100MPa,gauge diameter 100mm

Selected gauge adaptor: SPS7-1XS



SNC Series.webp

SNC Series2.webp


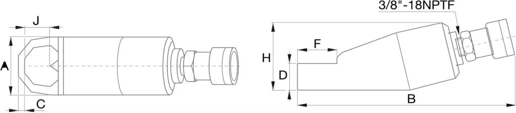
Bolt RangeHexagon Nut Range Capacity
Oil Capacity
Model NumberDimensions(mm)WeightReplacement Chisel Model Number
(mm)ton(kN)(cm³)ABCDFHJ(kg)
M6-M1210-195(49)15SNC-1019401707192848211.2 SNCB-1019
M12-M1619-2410(98)20SNC-19245419110264062252.0 SNCB-1924
M16-M2224-3215(147)60SNC-24326422213295172333.0 SNCB-2432
M22-M2732-4120(196)80SNC-32417524417366688434.4 SNCB-3241
M27-M3341-5035(343)155SNC-415094288214574105548.2 SNCB-4150
M33-M3950-6050(490)240SNC-50601063182354901286011.8 SNCB-5060
M39-M4860-7590(882)492SNC-607515639326721101818034.1 SNCB-6075


Tip:

SAIVS Industrial provides top-quality SNC Series High Pressure Capacity Hydraulic Nut Split Broker Splitter for hydraulic systems in various industries. Our products are designed for performance, reliability, and durability. We offer a wide range of products to suit your needs, including upgrades, maintenance, and repairs.

PROVIDING EXCELLENT SOLUTIONS BY SAIVS™


Speak to one of our experts today to learn more about our SNC Series High Pressure Capacity Hydraulic Nut Split Broker Splitter products solutions.


Request a Quote

Tags: SNC Series High quality hydraulic tools
  • Q: Are you trading company or manufacturer?
  • A: We are factory with more than 20 years experience.
  • Q: How long for delivery?
  • A: Generally it is 15-30days as we are customized service we confirm with customer when place order.
  • Q: What is the MOQ?
  • A: It depends on what you are buying. Normally, our minimum order is one 20' full container and LCL container (less than a container load) can be acceptable.
  • Q: Can you customize my products?
  • A: Yes, we can customized products with your design drawings like DWG, DXF, DXW, IGES, STEP, PDF etc.
  • Q: What is your terms of payment?
  • A: 30% T/T in advance, balance before shipment, or as per discussion.
  • Q: What about your quality control?
  • A: 1.Checking the raw material after they reach our factory(IQC) 2. Checking the details before the production line operated.3.Have full inspection and routing inspection during mass production(IPQC) 3.Checking the goods after they are finished(FQC). 4.Checking the goods after they are finished(QC). 5.100% inspection and delivery before shipment
  • Q:What if there is a problem with the purchased product?
  • A:If any quality problem happens please take some photos and videos to show the exact problem, then our engineer will judge and give a solution.
  • Q:Do you provide OEM service?
  • A:Yes, we provide OEM service. We will produce products that meet your requirements according to the logo, product parameters and dimensions you provide. Please contact us for more details.
  • Q:Can I be an agent for SAIVS products?
  • A:Of course, please contact us for more details.
Write your review for SNC Series High Pressure Capacity Hydraulic Nut Split Broker Splitter
Rating:
  • Bad
  • Excellent

Related Products