Description:
Maximum flexibility with full range Interchangeable hexagon cassettes and reducing inserts, no tools necessary .
Compact nose radius allows the tool to perform easily in tighter spaces.
Constant torque output provides accuracy up-to ±3%.
Multi direction high flow swivel manifold ( 360°X-axis * 180°Y-axis ).
Fast operation cycle, fine tooth ratchet, corrosion resistance, low weight, high strength design.Air and electric torque wrench pumps that are idea for use with Hydraulic Torque Wrenches.
High-power Hydraulic torque wrench generally refers to a bolt fastening tool capable of outputting and setting torque. It is a high-pressure hydraulic tool widely used in equipment repair and installation in many heavy chemical industries.
How to Choose a Low Profile Hexagon Wrench ?
Please order drive unit and cassette separately and pay attention to the same size, for example SHWD20 and SHWG20-65.Choose the appropriate SHWD20 Drive unit.
Select SHWG20-65 driving head according to the bolt size required for application.
Add reducers for additional nut sizes, the combinations of use of different cassettes and reducers provide the maximum capability to achieve diverse jobs .
| Drive Unit Model Number |
| SHWD10 |
| Drive Unit Model Number |
| SHWD20 |
| Drive Unit Model Number |
| SHWD30 |
| Maximum Torque |
| 2349 N.m |
| Maximum Torque |
| 5054 N.m |
| Maximum Torque |
| 9423N.m |
| Hexagon Head | S | R | Weight |
| Hexagon Head | S | R | Weight |
| Hexagon Head | S | R | Weight |
| ( mm ) | ( inch ) | ( mm ) | ( kg ) |
| ( mm ) | ( inch ) | ( mm ) | ( kg ) |
| ( mm ) | ( inch ) | ( mm ) | ( kg ) |
| SHWG10-50 | 50 | 2 | 40.8 | 1.5 |
| SHWG20-75 | 75 | 215/16 | 57.1 | 4.5 |
| SHWG30-90 | 90 | 39/16 | 68.6 | 6.5 |
| SHWG10-46 | 46 | 113/16 | 38.1 | 1.5 |
| SHWG20-70 | 65 | 23/4 | 54.6 | 4.5 |
| SHWG30-85 | 85 | 33/8 | 67.6 | 6.5 |
| SHWG10-41 | 41 | 15/8 | 35.1 | 1.4 |
| SHWG20-65 | 65 | 29/16 | 52.3 | 4.4 |
| SHWG30-80 | 80 | 31/8 | 64.6 | 6.3 |
| SHWG10-36 | 36 | 17/16 | 31.6 | 1.36 |
| SHWG20-60 | 60 | 23/8 | 50.6 | 4.4 |
| SHWG30-75 | 75 | 215/16 | 61.6 | 6.3 |
| SHWG10-34 | 34 | 15/16 | 31.6 | 1.3 |
| SHWG20-55 | 55 | 23/16 | 47.6 | 4.2 |
| SHWG30-70 | 70 | 23/4 | 59.6 | 6.1 |
| SHWG10-32 | 32 | 11/4 | 30.6 | 1.4 |
| SHWG20-50 | 50 | 2 | 45.6 | 4.2 |
| SHWG30-65 | 65 | 29/16 | 56.6 | 5.9 |
| SHWG10-30 | 30 | 13/16 | 30.6 | 1.4 |
| SHWG20-46 | 46 | 113/16 | 43.6 | 4 |
| SHWG30-60 | 60 | 23/8 | 53.6 | 5.8 |
| SHWG10-27 | 27 | 11/16 | 29.6 | 1.4 |
| SHWG20-41 | 41 | 15/8 | 43.6 | 4.1 |
| SHWG30-55 | 55 | 23/16 | 51.6 | 5.6 |
| SHWG10-24 | 24 | 15/16 | 29.6 | 1.4 |
| SHWG20-36 | 36 | 17/16 | 37.6 | 3.8 |
| SHWG30-50 | 50 | 2 | 47.6 | 5.3 |
| SHWG10-22 | 22 | 7/8 | 29.6 | 1.4 |
| SHWG20-34 | 34 | 15/16 | 37.6 | 3.9 |
| SHWG30-46 | 46 | 113/16 | 47.6 | 5.5 |
| SHWG10-19 | 19 | 3/4 | 29.6 | 1.4 |
|
|
|
|
|
|
| SHWG30-41 | 41 | 15/8 | 47.6 | 5.5 |
|
|
|
|
|
|
|
|
|
|
|
|
|
|
|
|
|
|
|
|
|
|
|
|
|
|
|
|
|
|
|
|
|
|
|
|
|
|
|
|
|
|
|
|
|
|
|
|
|
|
|
| Drive Unit Model Number |
| SHWD40 |
| Drive Unit Model Number |
| SHWD50 |
| Drive Unit Model Number |
| SHWD60 |
| Maximum Torque |
| 15565 N.m |
| Maximum Torque |
| 21960 N.m |
| Maximum Torque |
| 38463 N.m |
| Hexagon Head | S | R | Weight |
| Hexagon Head | S | R | Weight |
| Hexagon Head | S | R | Weight |
| ( mm ) | ( inch ) | ( mm ) | ( kg ) |
| ( mm ) | ( inch ) | ( mm ) | ( kg ) |
| ( mm ) | ( inch ) | ( mm ) | ( kg ) |
| SHWG40-115 | 115 | 41/2 | 86.6 | 11.9 |
| SHWG50-135 | 135 | 55/16 | 100.6 | 18 |
| SHWG60-155 | 155 | 61/8 | 117.6 | 29.5 |
| SHWG40-110 | 110 | 45/16 | 86.6 | 11.6 |
| SHWG50-130 | 130 | 51/8 | 100.6 | 18.2 |
| SHWG60-150 | 150 | 515/16 | 115.6 | 29.1 |
| SHWG40-105 | 105 | 41/8 | 80.6 | 11.4 |
| SHWG50-125 | 125 | 415/16 | 95.6 | 17.8 |
| SHWG60-145 | 145 | 53/4 | 111.6 | 28.9 |
| SHWG40-100 | 100 | 315/16 | 80.6 | 11.3 |
| SHWG50-120 | 120 | 43/4 | 95.6 | 17.9 |
| SHWG60-140 | 140 | 51/2 | 107.6 | 28.9 |
| SHWG40-95 | 95 | 33/4 | 74.6 | 11 |
| SHWG50-115 | 115 | 41/2 | 88.6 | 17.6 |
| SHWG60-135 | 135 | 55/16 | 105.6 | 28.8 |
| SHWG40-90 | 90 | 39/16 | 72.6 | 11 |
| SHWG50-110 | 110 | 45/16 | 85.6 | 17.4 |
| SHWG60-130 | 130 | 51/8 | 102.6 | 28.5 |
| SHWG40-85 | 85 | 33/8 | 69.6 | 10.8 |
| SHWG50-105 | 105 | 41/8 | 85.6 | 17.5 |
| SHWG60-125 | 125 | 415/16 | 100.5 | 28.5 |
| SHWG40-80 | 80 | 31/8 | 66.6 | 10.7 |
| SHWG50-100 | 100 | 315/16 | 78.6 | 17.1 |
| SHWG60-120 | 120 | 43/4 | 95 | 28.3 |
| SHWG40-75 | 75 | 215/16 | 63.6 | 10.7 |
| SHWG50-95 | 95 | 33/4 | 76.6 | 16.9 |
| SHWG60-115 | 115 | 41/2 | 92 | 28.3 |
| SHWG40-70 | 70 | 23/4 | 58.6 | 10.5 |
| SHWG50-90 | 90 | 39/16 | 73.6 | 16.8 |
| SHWG60-110 | 110 | 45/16 | 90 | 28.3 |
| SHWG40-65 | 65 | 29/16 | 58.6 | 10.6 |
| SHWG50-85 | 85 | 33/8 | 70.6 | 16.8 |
| SHWG60-105 | 105 | 41/8 | 87 | 27.9 |
|
|
|
|
|
| SHWG50-80 | 80 | 31/8 | 67.6 | 16.5 |
| SHWG60-100 | 100 | 315/16 | 83 | 27.9 |
|
|
|
|
|
| SHWG50-75 | 75 | 215/16 | 64.6 | 16.5 |
| SHWG60-95 | 95 | 33/4 | 80 | 27.5 |
|
|
|
|
|
|
|
|
|
|
|
| SHWG60-90 | 90 | 39/16 | 78 | 27.5 |
|
|
|
|
|
|
|
|
|
|
|
| SHWG60-85 | 85 | 33/8 | 75 | 27.1 |
|
|
|
|
|
|
|
|
|
|
|
| SHWG60-80 | 80 | 31/8 | 70 | 27.1 |
Application:
Heavy machinery maintenance: Used for disassembling and repairing large machinery equipment.
Manufacturing assembly lines: Used for torque-controlled assembly of products.
Offshore oil and gas platforms: Used for tightening critical connections in offshore installations.
Power plant maintenance: Used for tightening steam boilers and power generation equipment.
Bridge construction: Used for tightening bridge structures and bolt connections.
Automotive maintenance and repair: Used for removing and installing vehicle tires and engine components.
Image Gallery:
Specifications:
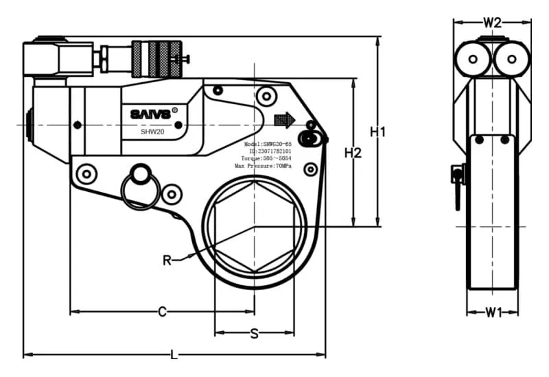
Dimensions:
Impact Socket:
| Drive Unit Model Number | Hexagon Head Model Number | Hexagon Size | Hexagon Reducers Model Number | Reducer Lock Model |
| (mm) | Model Number | A/B(mm) | Model Number | A/B(mm) | Model Number | A/B(mm) |
| SHW10 | SHWG10-50 | 50 | 2SH5041 | 50/41 | 2SH5036 | 50/36 | 2SH5032 | 50/32 | H-50 |
| SHWG10-46 | 46 | 2SH4636 | 46/36 | 2SH4632 | 46/32 | 2SH4630 | 46/30 | H-46 |
| SHWG10-41 | 41 | 2SH4132 | 41/32 | 2SH4130 | 41/30 | 2SH4127 | 41/27 | H-41 |
| SHWG10-36 | 36 | 2SH3630 | 36/30 | 2SH3627 | 36/27 |
|
| H-36 |
| SHWG10-32 | 32 | 2SH3227 | 32/27 |
|
|
|
| H-32 |
| SHW20 | SHWG20-75 | 75 | 4SH7565 | 75/65 | 4SH7560 | 75/60 | 4SH7555 | 75/55 | H-75 |
| SHWG20-70 | 70 | 4SH7060 | 70/60 | 4SH7055 | 70/55 | 4SH7050 | 70/50 | H-70 |
| SHWG20-65 | 65 | 4SH6555 | 65/55 | 4SH6550 | 65/50 | 4SH6546 | 65/46 | H-65 |
| SHWG20-60 | 60 | 4SH6050 | 60/50 | 4SH6046 | 60/46 | 4SH6041 | 60/41 | H-60 |
| SHWG20-55 | 55 | 4SH5546 | 55/46 | 4SH5541 | 55/41 | 4SH5536 | 55/36 | H-55 |
| SHWG20-50 | 50 | 4SH5041 | 50/41 | 4SH5036 | 50/36 | 4SH5032 | 50/32 | H-50 |
| SHWG20-46 | 46 | 4SH4636 | 46/36 | 4SH4632 | 46/32 | 4SH4630 | 46/30 | H-46 |
| SHWG20-41 | 41 | 4SH4132 | 41/32 | 4SH4130 | 41/30 | 4SH4127 | 41/27 | H-41 |
| SHWG20-36 | 36 | 4SH3630 | 36/30 | 4SH3627 | 36/27 |
|
| H-36 |
| SHWG20-32 | 32 | 4SH3227 | 32/27 |
|
|
|
| H-32 |
| SHW30 | SHWG30-90 | 90 | 8SH9080 | 90/80 | 8SH9075 | 90/75 | 8SH9070 | 90/70 | H-90 |
| SHWG30-85 | 85 | 8SH8575 | 85/75 | 8SH8570 | 85/70 | 8SH8565 | 85/65 | H-85 |
| SHWG30-80 | 80 | 8SH8070 | 80/70 | 8SH8065 | 80/65 | 8SH8060 | 80/60 | H-80 |
| SHWG30-75 | 75 | 8SH7565 | 75/65 | 8SH7560 | 75/60 | 8SH7555 | 75/55 | H-75 |
| SHWG30-70 | 70 | 8SH7060 | 70/60 | 8SH7055 | 70/55 | 8SH7050 | 70/50 | H-70 |
| SHWG30-65 | 65 | 8SH6555 | 65/55 | 8SH6550 | 65/50 | 8SH6546 | 65/46 | H-65 |
| SHWG30-60 | 60 | 8SH6050 | 60/50 | 8SH6046 | 60/46 |
|
| H-60 |
| SHWG30-55 | 55 | 8SH5546 | 55/46 | 8SH5541 | 55/41 |
|
| H-55 |
| SHW40 | SHWG40-115 | 115 | 14SH115105 | 115/105 | 14SH115100 | 115/100 | 14SH11595 | 115/95 | H-115 |
| SHWG40-110 | 110 | 14SH110100 | 110/100 | 14SH11095 | 110/95 | 14SH11090 | 110/90 | H-110 |
| SHWG40-105 | 105 | 14SH10595 | 105/95 | 14SH10590 | 105/90 | 14SH10585 | 105/85 | H-105 |
| SHWG40-100 | 100 | 14SH10090 | 100/90 | 14SH10085 | 100/85 | 14SH10080 | 100/80 | H-100 |
| SHWG40-95 | 95 | 14SH9585 | 95/85 | 14SH9580 | 95/80 | 14SH9575 | 95/75 | H-95 |
| SHWG40-90 | 90 | 14SH9080 | 90/80 | 14SH9075 | 90/75 | 14SH9070 | 90/70 | H-90 |
| SHWG40-85 | 85 | 14SH8575 | 85/75 | 14SH8570 | 85/70 | 14SH8565 | 85/65 | H-85 |
| SHWG40-80 | 80 | 14SH8070 | 80/70 | 14SH8065 | 80/65 |
|
| H-80 |
| SHWG40-75 | 75 | 14SH7565 | 75/65 |
|
|
|
| H-75 |
| SHW50 | SHWG50-135 | 135 | 18SH135125 | 135/125 | 18SH135120 | 135/120 | 18SH135115 | 135/115 | H-135 |
| SHWG50-130 | 130 | 18SH130120 | 130/120 | 18SH130115 | 130/115 | 18SH130110 | 130/110 | H-130 |
| SHWG50-120 | 120 | 18SH120110 | 120/110 | 18SH120105 | 120/105 | 18SH120100 | 120/100 | H-120 |
| SHWG50-115 | 115 | 18SH115105 | 115/105 | 18SH115100 | 115/100 | 18SH11595 | 115/95 | H-115 |
| SHWG50-110 | 110 | 18SH110100 | 110/100 | 18SH11095 | 110/95 | 18SH11090 | 110/90 | H-110 |
| SHWG50-105 | 105 | 18SH10595 | 105/95 | 18SH10590 | 105/90 | 18SH10585 | 105/85 | H-105 |
| SHWG50-100 | 100 | 18SH10090 | 100/90 | 18SH10085 | 100/85 | 18SH10080 | 100/80 | H-100 |
| SHWG50-95 | 95 | 18SH9585 | 95/85 | 18SH9580 | 95/80 | 18SH9575 | 95/75 | H-95 |
| SHWG50-90 | 90 | 18SH9080 | 90/80 | 18SH9075 | 90/75 |
|
| H-90 |
| SHWG50-85 | 85 | 18SH8575 |
|
|
|
|
| H-85 |
| SHW60 | SHWG60-155 | 155 | 30SH155145 | 155/145 | 30SH155130 | 155/130 | 30SH155120 | 155/120 | H-155 |
| SHWG60-145 | 145 | 30SH145130 | 145/130 | 30SH145120 | 145/120 | 30SH145115 | 145/115 | H-145 |
| SHWG60-130 | 130 | 30SH130120 | 130/120 | 30SH130115 | 130/115 | 30SH130110 | 130/110 | H-130 |
| SHWG60-120 | 120 | 30SH120110 | 120/110 | 30SH120105 | 120/105 | 30SH120100 | 120/100 | H-120 |
| SHWG60-115 | 115 | 30SH115105 | 115/105 | 30SH115100 | 115/100 | 30SH11595 | 115/95 | H-115 |
| SHWG60-110 | 110 | 30SH110100 | 110/100 | 30SH11095 | 110/95 | 30SH11090 | 110/90 | H-110 |
| SHWG60-105 | 105 | 30SH10595 | 105/95 | 30SH10590 | 105/90 | 30SH10585 | 105/85 | H-105 |
| SHWG60-100 | 100 | 30SH10090 | 100/90 | 30SH10085 | 100/85 | 30SH10080 | 100/80 | H-100 |
| SHWG60-95 | 95 | 30SH9585 | 95/85 | 30SH9580 | 95/80 |
|
| H-95 |
| SHWG60-90 | 90 | 30SH9080 | 90/80 |
|
|
|
| H-90 |
Series Comparison:
| Drive Unit Model Number | Torque Range | Hexagon Range | Drive Unit Weight | Dimensions |
| L | C | H1 | H2 | W1 | W2 |
| N.m | Ft.lbs | mm | kg | mm |
| SHWD10 | 235-2349 | 173-1733 | 19-50 | 0.7 | 203 | 116 | 131 | 96 | 32 | 50 |
| SHWD20 | 505-5054 | 373-3728 | 34-75 | 1.7 | 249 | 151.5 | 160 | 124 | 42 | 64 |
| SHWD30 | 942-9423 | 695-6950 | 41-90 | 3.1 | 305 | 188.5 | 196 | 160 | 53 | 75 |
| SHWD40 | 1556-15565 | 1148-11481 | 65-115 | 4.3 | 332 | 234 | 242 | 191.5 | 64 | 87 |
| SHWD50 | 2196-21960 | 1620-16198 | 75-135 | 6 | 382 | 270 | 265 | 215 | 73 | 97 |
| SHWD60 | 3846-38463 | 2837-28370 | 80-155 | 10.6 | 449 | 317.5 | 305 | 255 | 85 | 120 |
Product Video:
PROVIDING EXCELLENT SOLUTIONS BY SAIVS™
Speak to one of our experts today to learn more about our SHW Series Low Profile Hexagon Hydraulic Torque Wrenches products solutions.
Request a Quote
Product Tags:
Hydraulic Torque Wrench Low Profile Hexagon Hydraulic Torque Wrenches Hydraulic Torque Wrenches hydraulic bolt torquing machine