offers original and replacement P80,1 Spool,21.1 GPM,Hydraulic Directional Control Valves for our customers. We will save customer costs, increase productivity and profit margins, Welcome to
Get Latest Price now!
Function:Directional Control Valve
Spools range:up to 8
Nom.Pressure(MPa):20
Max.Pressure(MPa):31.5
Max.Flow rate(L/min):80/21.13 GPM
Back Pressure(MPa): ≤1
Material:Casting Iron
Warranty:1 Year
Drive:Hydraulic
Place of Origin:Ningbo,ZheJiang
Customized support:OEM,ODM
P80 Series monoblock directional control valves use for hydraulic control
ла80 is a mono-bloc distributor. Its body is made of cast iron EN-GJL300.
Plungers are made of carburized steel with hard chrome plating.
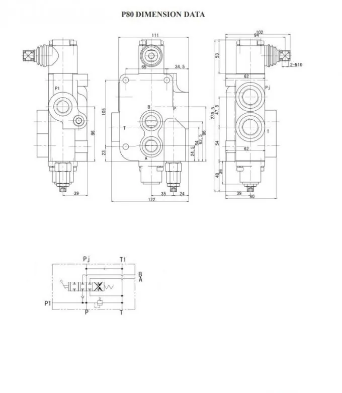
Specifications
Our 2 spool directional control valve for double-acting hydraulic rams has 21 GPM, 4-way 3 pos spring center,
SAE 10 inlet and work ports and SAE 12 outlet ports.
This hydraulic flow control valve has 4-way valving, adjustable 1500 with 3625 PSI.
Versatile
This series has a 3 position, 4-way valving that allows an actuator to open and close.
This 2 spool control valve can be used in any hydraulic circuit.
Precise Flow
Simple and compact, the hydraulic joystick valve has one spool with a 21 GPM flow
rate that precisely controls the direction of the flow of hydraulic fluids.
This plow valve has a wide range of applications, including in log splitters.
Manual Control
This high-pressure control valve comes with a joystick lever actuator for controlling the spool.
You can control the log splitter valve manually, without an external, additional control system.
Tandem Center
This adjustable relief valve is equipped with a spring tandem center. Since the fluid directly flows back to the hydraulic
tank the hydraulic orbit motor prevents overheating and reduces noise during operation.
Functions and features
1. Compact size, light and handy structure, small weight, simple operation and safety & reliability;
2. Work group number can be added according to demand, 7 spools at most.
3. Complete configuration of primary and secondary overflow valves; Opening pressure to be adjusted as required by customers;
4. Series-parallel connection structure and external load retaining valve ensure that
the actuating mechanism with higher load will not fall in operation.
5. Modules with different functions on the valve group can realize the switchover between
single and dual pumps to improve working efficiency and save energy consumption.
The distributor is fixed with two bolts M8
| Ambient temperature | -40C...+60C |
| Viscosity | 12 ...800 mm2/s |
| Fluid temperature | -15C...+80C |
| Filtration | 10 to NAS 1638 |
| Max operating pressure | 315 bar |
| Back pressure | 50 bar |
| Nominal flow | 80 l/min |
| Leakage(A,B-T) | 15cm3/min at 120bar |
| Spool stroke | +/-7 mm |
| Actuating force | < 200 N |
| Modification/ Spools | up to 8 |


Application:

This product is applicable to special vehicles like truck mounted crane, wrecker, scrubbing machine and dynamic compactor.
PROVIDING EXCELLENT SOLUTIONS BY SAIVS™
Speak to one of our experts today to learn more about our P80,1 Spool,21.1 GPM,Hydraulic Directional Control Valves products solutions.
Request a Quote
Tags: P80 Hydraulic Directional Control Valves monoblock directional control valves hydraulic directional control valves